Brandon Tashi

About

Astronautical Engineering senior pursuing his bachelor's degree. Experience in numerous projects involving CAD, FEA, CFD, GD&T, web-development, robotics, rocketry, 3-D printing, workshop tools (like mills and lathes), and documentation. I enjoy tennis and language learning as a hobby.

  • University: Embry-Riddle Aeronautical University
  • Degree: B.S. Aerospace Engineering (Astronautics), 2026
  • GPA: 4.0/4.0

Skills

Below are some of the projects that I have worked on so far.

  • Latest Project: CUUBAIR Drone
  • All
  • Ongoing list of notes for learning:

    When dimensioning CAD drawings using GD&T, the basic dimensions should always start from a datum and, if necessary, form a chain.

    Datums should lock all degrees of freedom. Primary datum should ideally lock a minimum of 3 degrees of freedom. Secondary datums lock at minimum 2 degrees of freedom, and the tertiary datum locks a minimum of 1 degree of freedom.

    Datum features should be chosen according to the function, such as any mating or mounting areas. In the CUUBA drawing, GD&T callouts will and should be removed eventually.

    Might consider moving to MBD (model-based definition) drawing for GD&T. CAD software could perform tolerance stack-up for things like positional or total run-out callouts more easily.

    Drawings are over-constrained and have unnecessary dimensions. I will update drawings to clean up dimensioning and incorrect GD&T callouts. The title blocks should also be updated as well, with notes like "break all sharp edges and remove all burrs".

    Assembly drawings on this page should be updated with "(###)" for reference dimensions.

CUUBA Chassis Schematics

Automated Robotic Vacuum Cleaner designed in Fusion 360. See it in action!

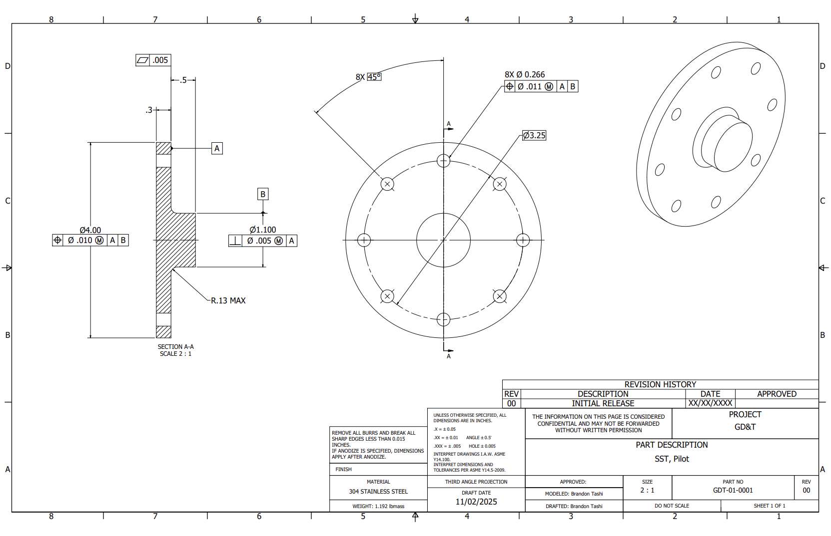
Bolted Pilot Assembly Component 1

ERAU Propulsion Engineering Club

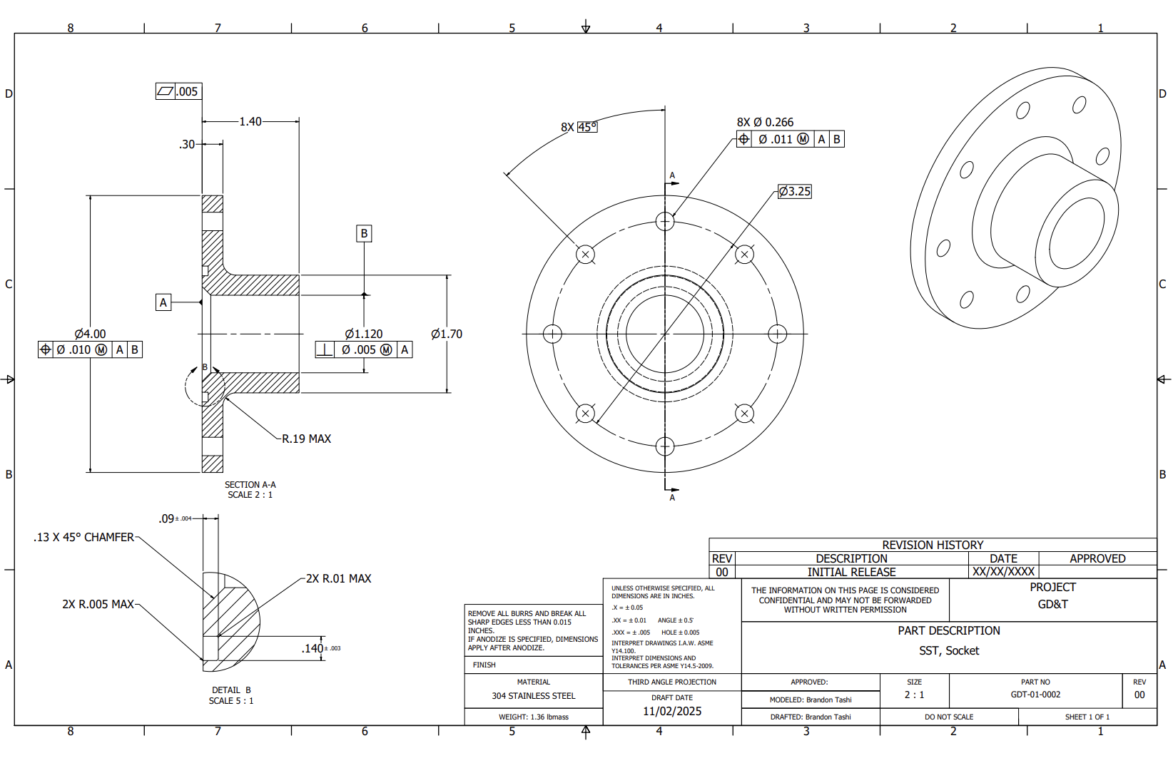
Bolted Pilot Assembly Component 2

ERAU Propulsion Engineering Club

GD&T Tolerance Stack-Up Demonstration

ERAU Propulsion Engineering Club

LambdaAI

Tensorflow Chatbot Voice Assistant.

AI Smartglasses

Features the Lambda AI voice assistant.

LambdaAI Interface

Three.js Audio Visualizer for Lambda AI.

Knuckle Joint Assembly

Designed in PTC Creo.

Jet Engine

Designed in CATIA.

5 DoF Robotic Arm

Designed in CATIA.

5 DoF Robotic Arm Assembly Overview

Drafted in CATIA.

CUUBA Vacuum Chamber Schematics

Designed in Fusion 360.

Model Rocket Telemetry Interface

Designed using Python.

Robotic Arm Motion Study

Designed using SolidWorks.

Robotic Arm Assembly Drawing

Designed with SolidWorks.

Bench Vise Assembly

Designed with PTC Creo.

Butterfly Valve

Designed with AutoCAD.

Butterfly Valve Schematics

Designed with AutoCAD.

Cantilever Beam Bending Moment Analysis

Simulated and designed using ANSYS.

Knuckle Joint Assembly Stress Analysis

Simulated using ANSYS & designed with PTC Creo.

CUUBA Vacuum Chamber Fluid Flow Analysis

Simulated using ANSYS & designed with Fusion 360.

CUUBA Chassis Stress Analysis

Simulated using ANSYS & designed with Fusion 360.

10 Member Truss with Pin Supports

Simulated and designed using ANSYS.

Model Rocket Motor Mount Assembly

Designed and drafted in Fusion 360.

Model Rocket Nosecone Assembly

Designed and drafted in Fusion 360.

Headset Holder

Designed using Fusion 360. 3-D printed.

Smartwatch User Interface

Designed with HTML, CSS, JavaScript & Tensorflow.

Smartwatch

Designed using Fusion 360. 3-D printed. Touchscreen.

ERAU Engineers Without Borders Website

Designed using HTML, CSS, and JavaScript.

Orbital Mechanics Simulator

Designed using HTML, CSS, and JavaScript.

Hohmann Transfer Simulation

Designed using ANSYS STK.

ERAU NASA RAER Regolith Transporter

Regolith container and filter designed using Inventor.

CUUBA Vacuum Cleaner

Automated Robotic Vacuum Cleaner designed in Fusion 360. See it in action!

Two Stage Model Rocket

Designed and drafted in Fusion 360.

Attitude Visualizer

Designed in MATLAB with a Z-Y-X Euler Sequence.

CUUBAIR Prototype V1

Multipurpose Quadcopter in development. Designed in Fusion 360.

Contact

Location:

United States of America

Call:

N/A